Bienvenue à XIAMEN TOB NEW ENERGY TECHNOLOGY Co., LTD..
  • français
  • Russian
  • f
  • i
  • y
  • t
  • p
battery machine and materials solution
Produits

Produits chauds


Poste de travail électrochimique
加载中...

Poste de travail électrochimique à canal unique

Cette station de travail électrochimique monocanal TOB-CS350M comprend un générateur de fonctions arbitraires DDS, un potentiostat/galvanostat haute puissance, un analyseur de corrélation double canal, un convertisseur analogique-numérique haute vitesse 16 bits/haute précision 24 bits double canal et des interfaces d'extension. Le courant maximal est de ± 2 A, la plage de potentiel est de ± 10 V. Fréquence EIS. La plage de fréquences est de 10 µHz à 1 MHz. Il peut être utilisé dans divers domaines électrochimiques tels que la corrosion, l'énergie, les matériaux et l'électroanalyse. Le courant peut être augmenté jusqu'à 20 A/40 A avec un amplificateur de courant CS2020B/CS2040B.
  • Marque:

    TOB NEW ENERGY
  • article no.:

    TOB-CS350M
  • ordre (moq):

    1set
  • Paiement:

    L/C,T/T
  • origine du produit:

    China
  • port d'expédition:

    XIAMEN
Détails du produit

Poste de travail électrochimique à canal unique


CARACTÉRISTIQUES


Cette station de travail électrochimique monocanal TOB-CS350M comprend un générateur de fonctions arbitraires DDS, un potentiostat/galvanostat haute puissance, un analyseur de corrélation double canal, un convertisseur analogique-numérique haute vitesse 16 bits/haute précision 24 bits double canal et des interfaces d'extension. Le courant maximal est de ±2 A, la plage de potentiel est de ±10 V. La plage de fréquences EIS est de 10 µHz à 1 MHz. Elle est adaptée à divers domaines électrochimiques tels que la corrosion, l'énergie, les matériaux et l'électroanalyse. Le courant peut être augmenté jusqu'à 20 A/40 A avec un amplificateur de courant CS2020B/CS2040B.


Caractéristiques

Prise en charge des systèmes à 2, 3 ou 4 électrodes

Plage de potentiel et de courant : Automatique

Plage de contrôle du potentiel : ±10 V

Plage de contrôle du courant : ± 2 A

Précision du contrôle du potentiel : 0,1 % × plage complète ± 1 mV

Précision du contrôle actuel : 0,1 % × plage complète

Résolution potentielle : 10 μV (> 100 Hz), 3 μV (< 10 Hz)

Sensibilité actuelle : 1 pA

Temps de montée : <1 μs (<10 mA), <10 μs (<2 A)

Impédance d'entrée de l'électrode de référence : 1 012 Ω || 20 pF

Plage de courant : 2 nA ~ 2 A, 10 plages

Tension de conformité : ±21 V

Courant de sortie maximal : 2 A

Taux de balayage CV et LSV : 0,001 mV à 10 000 V/s

Largeur d'impulsion CA et CC : 0,0001 à 65 000 s

Incrément de courant pendant le balayage : 1 mA à 1 A/ms

Augmentation potentielle pendant le balayage : 0,076 mV à 1 V/ms

Fréquence SWV : 0,001~100 kHz

Largeur d'impulsion DPV et NPV : 0,0001 à 1 000 s

Acquisition de données AD : 16 bits à 1 MHz, 20 bits à 1 kHz

Résolution DA : 16 bits, temps de configuration : 1 μs

Augmentation de potentiel minimale dans CV : 0,075 mV

Fréquence IMP : 10 μHz ~ 1 MHz

Filtres passe-bas : couvrant 8 décades

Système d'exploitation : Windows 10/11

Interface : USB 2.0

Poids / Dimensions : 6,5 kg, 36,5 x 30,5 x 16 cm

EIS (Spectroscopie d'impédance électrochimique)

Générateur de signaux

Gamme de fréquences : 10 μHz ~ 1 MHz

Amplitude CA : 1 mV à 2 500 mV

Polarisation CC : -10 ~ +10 V

Impédance de sortie : 50Ω

Forme d'onde : onde sinusoïdale, onde triangulaire et onde carrée

Distorsion d'onde : <1%

Mode de balayage : logarithmique/linéaire, augmentation/diminution

Analyseur de signaux

Temps intégral :

minimum : 10 ms ou la durée la plus longue d'un cycle

Maximum : 106 cycles ou 105 s

Délai de mesure : 0~105s

compensation de décalage CC

Plage de compensation automatique potentielle : -10 V~+10 V

Plage de compensation de courant : -1A~+1A

Bande passante : plage de fréquences de 8 décades, réglage automatique et manuel


Comparaison des techniques et des modèles

Techniques

TOB-CS300M

PAS D'ÉIE

TOB-CS310M

AVEC EIS

TOB-CS350M

AVEC EIS

Polarisation stable

Potentiel de circuit ouvert (OCP)

Potentiostatique (courbe it)

Galvanostatique

Potentiodynamique (diagramme de Tafel)

Galvanodynamique

Polarisation transitoire

Étapes multi-potentiels

Étapes multi-courants

Potentiel escalier-marche (VSTEP)

Escalier galvanique (ISTEP)

Méthodes Chrono

Chronopotentiométrie (CP)

Chronoampérométrie (CA)

Chronocoulométrie (CC)

Voltamétrie

Voltamétrie cyclique (CV)

Voltamétrie à balayage linéaire (LSV)(iv)

Voltamétrie par escalier (SCV) #


Voltamétrie à onde carrée (SWV) #


Voltamétrie différentielle à impulsions (DPV)#


Voltamétrie à impulsions normales (VPN)#


Voltamétrie différentielle à impulsions normales (DNPV)#


Voltamétrie alternative (ACV) #


EIE

EIS potentiostatique (Nyquist, Bode)


EIS galvanostatique


EIS potentiostatique (fréquence facultative)


EIS galvanostatique (fréquence facultative)


Mott-Schottky


EIS potentiostatique en fonction du temps (fréquence unique)


EIS galvanostatique en fonction du temps (fréquence unique)


Mesure de la corrosion

Courbe de polarisation cyclique (CPP)

Courbe de polarisation linéaire (LPR)

Réactivation potentiocinétique électrochimique (EPR)

Bruit électrochimique (EN)

Ampèremètre à résistance nulle (ZRA)

Test de batterie

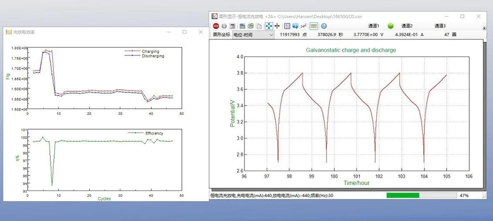
Charge et décharge de la batterie

Charge et décharge galvanostatiques (GCD)

Charge et décharge potentiostatiques (PCD)

Technique de titration intermittente potentiostatique (PITT)

Technique de titrage galvanostatique intermittent (GITT)

Ampérométrie

Ampérométrie différentielle à impulsions (DPA)


Ampérométrie à double impulsion différentielle (DDPA)


Ampérométrie à triple impulsion (TPA)


Détection ampérométrique à impulsions intégrée (IPAD)


# Il existe des méthodes de décapage correspondantes.


Application

Corrosion: Ce testeur intègre toutes les techniques électrochimiques de mesure de la corrosion, telles que l'OCP, la courbe de polarisation (potentiodynamique), l'EIS, la polarisation cyclique (CPP) (courbe de passivation), la réactivation potentiocinétique électrochimique (EPR), le test de diffusion d'hydrogène, l'analyse de la température (ZRA), le bruit électrochimique, etc. Il permet d'étudier le mécanisme de corrosion des métaux et leur résistance, ainsi que d'évaluer la durabilité des revêtements et l'efficacité du courant anodique sacrificiel. Il permet également le dépistage rapide d'inhibiteurs de corrosion et de fongicides.

Single Channel Electrochemical Workstation

Gauche : Courbes de polarisation de l'alliage de titane et de l'acier inoxydable dans une solution à 3 % de NaCl

À droite : EN d'acier à faible teneur en carbone dans 0,05 mol/LCl + 0,1 mol/LNaHCO3


Il utilise un algorithme de corrélation intégrale et une technique de suréchantillonnage à deux canaux, et possède une forte capacité anti-interférence. Sa résistance interne peut atteindre 1013 Ω. Il est adapté aux mesures EIS de systèmes à haute impédance (tels que les revêtements, le béton, etc.).

Salt spray aging test of high impedance coating

Essai de vieillissement au brouillard salin d'un revêtement à haute impédance


Énergie

Avec les techniques LSV, CV, charge et décharge galvanostatiques (GCD), potentiel/courant constant EIS et circuit de compensation IR précis, les potentiostats Corrtest sont largement utilisés dans les supercondensateurs, les batteries Li-ion, les batteries sodium-ion, les piles à combustible, les batteries Li-S, les cellules solaires, les batteries à semi-conducteurs, les batteries à flux, les batteries métal-air, etc. C'est un excellent outil scientifique pour les chercheurs dans les domaines de l'énergie et des matériaux.

CV curve of PPy supercapacitor in 0.5 mol/L H2SO4 solution

Courbe CV du supercondensateur PPy dans une solution H2SO4 à 0,5 mol/L

Électroanalyse

Le potentiostat Corrtest inclut toutes les méthodes voltamétriques telles que NPV, DNPV, SWV et ACV, et permet une analyse rapide des oligo-éléments en solution. Les méthodes de décapage voltamétrique permettent une analyse quantitative en fonction du courant de crête de décapage.

Stripping voltametric curves in solution of different Pb2+, Cd 2+,Zn2+ concentration

Courbes voltamétriques de décapage en solution de différentes concentrations de Pb2+, Cd 2+, Zn2+


Électrocatalyse


  • Le potentiostat Corrtest peut mesurer le potentiel demi-onde (ORR), la surtension (HER, OER) du catalyseur et a pour fonction de calculer la densité de puissance de crête et la densité d'énergie.
  • Mesure cyclique à long terme de l'ORR, de l'OER, de l'HER et du CO2RR par des techniques telles que la voltamétrie cyclique, le potentiostatique et le galvanostatique. L'efficacité Faraday peut être mesurée à l'aide d'un bipotentiostat.
  • Le courant maximal peut être de 20 A et la tension de conformité peut être de 30 V, et avec la technique de compensation IR, le potentiostat Corrtest peut mesurer avec précision la surtension de l'électrode, ce qui constitue un gros avantage dans le domaine de l'électrocatalyse.



LSV curve of catalysts in alkaline solution
Courbe LSV des catalyseurs en solution alcaline


Fonctionnalités du logiciel

Voltamétrie cyclique : Le logiciel CS Studio offre aux utilisateurs un kit polyvalent de lissage, de différentiel et d'intégration, permettant de calculer la hauteur, l'aire et le potentiel des pics des courbes CV. Lors de l'analyse des données, la technique CV permet de sélectionner le ou les cycles exacts à afficher.

Diagramme de Tafel et taux de corrosion : CS Studio offre également un ajustement non linéaire performant sur l'équation de Butler-Volmer de la courbe de polarisation. Il permet de calculer la pente de Tafel, la densité de courant de corrosion, le courant de limitation, la résistance de polarisation et la vitesse de corrosion. Il permet également de calculer la densité spectrale de puissance, la résistance au bruit et la résistance spectrale du bruit à partir des mesures EN.

Single Channel Electrochemical Workstation


Test et analyse de la batterie :

efficacité de charge et de décharge, capacité, capacité spécifique, énergie de charge et de décharge.

Single Channel Electrochemical Workstation

Analyse EIE : Diagramme de Bode, Nyquist et Mott-Schottky

Lors de l'analyse des données EIS, une fonction d'ajustement intégrée permet de dessiner le circuit équivalent personnalisé.

Single Channel Electrochemical Workstation


Potentiostat monocanal à alimentation standard


  • Hôte de l'instrument
  • Logiciel CS Studio
  • Câble d'alimentation x1
  • Câble USB x1
  • Câble cellule/électrode x2
  • Cellule factice (1 kΩ || 100 µF) x1
  • Manuel



Affichage des produits


Single Channel Electrochemical Workstation

Single Channel Electrochemical Workstation

Single Channel Electrochemical Workstation

Single Channel Electrochemical Workstation


E-mail : tob.amy@tobmachine.com

Skype : amywangbest86

Numéro de téléphone/Whatsapp : +86 181 2071 5609

envoyer un message

si vous êtes intéressé par nos produits et souhaitez en savoir plus, laissez un message ici, nous vous répondrons dans les plus brefs délais.

nos oeuvres
Produits connexes
Poste de travail électrochimique
Poste de travail électrochimique à canal unique potentiostat Galvanostat Pour le test de la batterie
Le poste de travail électrochimique est un agent général potentiostat Galvanostat FRA Conçu pour l'électrochimie générale Mesures.
Poste de travail électrochimique
Potentiostat multicanal Galvanostat Poste de travail électrochimique
Le potentiostat/galvanostat/EIS multicanal TOB-CS-3 est un instrument polyvalent offrant 8 emplacements. Courant/tension élevé : plage de potentiel appliquée ±10 V, courant ±1 A. Techniques complètes : EIS intégré (10 μHz ~ 1 MHz) est équipé.
Bipotentiostat
Bipotentiostat 2 canaux
Le bipotentiostat TOB-CS-2350 est développé à partir du potentiostat/galvanostat TOB-CS-350 à canal unique. Il existe deux ensembles de potentiostat/galvanostat intégrés. Les deux canaux peuvent mener des expériences identiques ou différentes, indépendamment/simultanément.
Potentiostat multicanal
Potentiostat multicanal Galvanostat EIS
Ce galvanostat potentiostat multicanal TOB-CS310X EIS est un instrument polyvalent offrant 8 emplacements.
Machine de classement testeur
Cylindre de Cellules de Batterie de Formage et de la Machine de Classement Pour les batteries Lithium-Ion Batterie de Tests
Cylindre de cellules de batterie de formage et de la machine de classement,Constante, courant constant tension d'alimentation, le courant constant pour constant de la tension de commutation sans impact, particulièrement adapté pour les batteries lithium-ion de charge de batterie exigences
chine leader Broyeur planétaire à boulets de laboratoire 2L fabricant
Broyeur planétaire à boulets de laboratoire 2L
Broyeur à boulets planétaire à batterie 2L
chine leader machine d'essai d'aiguilletage de batterie de puissance horizontale fabricant
machine d'essai d'aiguilletage de batterie de puissance horizontale
machine d'essai d'aiguilletage de batterie de puissance horizontale Caractéristiques 1. exigences techniques modèle machine d'essai d'aiguilletage de batterie de puissance horizontale tob-be-ap-9002d plage de pression 1000n ~ 20000n personnalisé dimension w2400 * d1000 * h1200mm poids 500kg espace de test w1000 * d500 * h500mm personnalisé Puissance 2500w mode d'aiguilletage pression d'huile force d'aiguilletage Précision de ± 1% vitesse d'aiguilletage 10-40 mm / s, réglable, erreur de vitesse d'aiguilletage ± 0,1 mm / s conversion d'unité kg / n / lb 2. configuration standard hôte d'aiguilletage un ensemble étui de protection un ensemble support d'aiguille un ensemble gros clip de fixation de batterie un ensemble aiguille en acier blanc / aiguille en acier au tungstène un ensemble système de caméra de surveillance (en option) un ensemble système d'acquisition de tension (en option) un ensemble emballage et expédition 1 paquet standard exporté: protection anticollision interne, paquet de boîte en bois d'exportation externe 2 expédition par exprès, par air, par mer selon les exigences du client pour suggérer le mode d'expédition le plus approprié 3 responsable des dommages pendant le processus d'expédition, changez la partie des dommages gratuitement 4 alimentation avec entrée de tension appropriée et prise d'alimentation selon les exigences du pays du client . prestations de service 1 Nous fournissons des machines avec support de technologie de batterie. 2 nous pouvons également fournir un ensemble complet de matériaux pour la batterie au lithium, y compris la batterie polymère, la batterie cylindre, la batterie de téléphone portable, la batterie ev. 3 nous pouvons également fournir un ensemble complet d'équipements de batterie au lithium pour la recherche en laboratoire, la recherche à l'échelle pilote et la chaîne de production. 4 nous pouvons également fournir un ensemble complet de technologies de batterie pour la conception, la recherche et la production de batteries. nous avons coopéré les uns avec les autres, et nous ferons le meilleur de la meilleure batterie email : tob.amy@tobmachine.com skype: amywangbest86 WhatsApp / numéro de téléphone: +86 181 2071 5609
  machine de soudage à languette de batterie
Machine de soudage à onglet de batterie de 0,05 à 0,15 mm
Machine de soudage à onglet de batterie de 0,05 à 0,15 mm

laisser un message

    si vous êtes intéressé par nos produits et souhaitez en savoir plus, laissez un message ici, nous vous répondrons dans les plus brefs délais.

Accueil

Produits

entreprise

Haut